3D-SY5.5型电动试压泵
一、概述
3D-SY5.5型电动试压泵,具有体积小、结构紧凑、便于移动。有三种规格可供选择。适宜于压力容器制造、管道工程按装等大型压力容器,进行水压、密封、强度试验。试验介质为清水、乳化液、或运动粘度不超过45mm²/s油品。

3D-SY5.5KW-10MPa-25MPa电动试压泵 3D-SY5.5KW-35MPa电动试压泵
二、基本参数
| 型号 | 额定压力MPa | 额定流量L/h | 泵速minˉ¹ | 配套功率 |
| 3D-SY1350/10 | 10 | 1350 | 1450 | 5.5KW |
| 3D-SY950/16 | 16 | 950 | 1450 | |
| 3D-SY650/25 | 25 | 650 | 950 | |
| 3D-SY450/35 | 35 | 450 | 760 | |
| 3D-SY400/40 | 40 | 400 | 850 | |
| 3D-SY320/50 | 50 | 320 | 650 |
三、结构特点
本泵主要由电机、电磁起动器、泵头、保压阀、泄压阀、吸入排出胶管等组成。泵头采用卧式三柱塞泵型式,由三相电机通过皮带减速,带动曲轴连杆机构,将旋转运动转换为往复运动,并带动柱塞在液缸内工作。这样,工作介质通过吸入、排出阀,形成高压液体排出。
在泵头的排出端设置有回流阀,用于调节泵的排出压力,也可作为定压阀,恒定系统压力。
排出端还设置有保压阀,当被试验件达到规定试验压力值后停机,该阀自动将试验回路与泵截断进行保压。
保压阀上端装有压力表,以示试验压力,压力表下端设置有泄压阀在保压试验结束后,卸除回路压力。或因误操作,压力升过规定值,可打开泄压阀卸除部分压力,用点动开关升止规定值。
泵的起动运转是利用电磁起动器进行操作,设置有起动和停止按钮,
四、使用方法
㈠准备工作
1.新泵在出厂时,曲轴箱内已加注润滑油。 次使用时,应查看润滑油多少,平时使用前应检查曲轴箱内润滑油油面高度,使其保值在油标的油线上。
2、新泵在出厂时为了便于包装,手推柄和电磁起动器固定在电机背上, 次使用时先安装好手推柄(使手推柄插入泵架端头两个孔套内,并拧紧四个紧固螺栓)及电源线路。
3、安装好吸水胶管,及吸水过滤网(注意垫好连接接头密封圈)。
4、配备一清洁的水箱,保证有足够的水源供应。将吸水管放入水箱内。
5、检查试验介质清洁与否,切记使用含泥沙污水,以免堵塞管路磨坏柱塞,使各系统阀关闭不严造成故障。
6、检查各连接部位和压紧螺塞是否紧固。
7、检查电路连接、绝缘及安全情况,并可靠接地。
㈡、起动运转
1、起动电动机,检查空车运转是否正常,声晌应均匀无异常杂音,排水应均匀,无明显波动。然后停机。
2、将被试容器与试压泵的排出口连接起来,大中型压力容器(容积>10L~20L),在试验前先用清水灌满被试容器,小型压力容器(容积<4L为了利于保压,试验回路应配置不小于4L的蓄能容器。
3、小型压力容器在试验时,先逆时针打开溢流阀手柄,让其处于开启状态,起动电动机,泵开始正常工作,被试容器进行充水,充满水后,压力徐徐上升,此时缓慢顺时针拧紧回流阀手柄,直止达到所要求的试验压力,稳定后锁紧回流阀手柄(但不允许长时间处于全回流状态,使缸体内水流过热),停机保压到要求时间,检查被试容器。以后泵再试验同样的压力,无需再调定回流阀压力。大型压力容器,由于升压速度较慢,可以不用回流阀,将回流阀压力调定在值,
4、试验完毕后,打开泄压阀卸除回路压力。
㈢、在运转过程中注意事项
1、试验压力不允许超过泵的额定工作压力。
2、泵在升压过程中,若压力表指针摆动过大,说明连接管路直径过细,或被试件容积太小,应配备足够容量的压力容器。
3、小型压力容器升压速度过快,应采取点动升压的办法进行升压。
4、泵在运转过程中应无噪声杂音。
5、要经常观察曲轴箱的油位线,及时添加润滑油。
6、润滑油允许温升≤45ºC。
7、在工作中如发现泵本身有漏水现象时,应立即停止工作,卸除压力进行检修,不允许在漏水情况继续工作。
8、回流阀不应长时间处于回流状态,将引起泵体内试验介质(水)过度发热。压力升止规定试验压后应即时停机保压。
9、在环境温度0ºC以下使用时,应考虑采取防冻错施。
五、可能发生故障及解决方法
1、曲轴箱温升过高。润滑油过少或过多,润滑油不符合要求或变质。
2、泵不排水,
①、吸水管没装好进气,过滤网堵死。
②、泵液缸内空气没排净,断开排出口,让泵空运转充分排空气体,直止均匀出水。
③、泵长期放置,水锈等其它杂物糊死吸入阀。靠泵的真空度无法打开。拆下吸入阀清洗。
3、压力表上升压力不均匀,或压力表指针摆动不上升。
①、首先应排除被试件和连接管路的渗漏。
②、检查进水口滤网是否畅通,有无异物堵塞或吸水管连接处漏气。③、水箱水面过低,滤网露出水面。
④、柱塞密封失效,泄露量过大。更换。
⑤、回流阀在全开启位置,应调整回流压力。
⑥、泄压阀打开未关闭,或关闭不严失效。
⑦、检查吸入、排出阀阀线是否密合良好,有无杂物充垫其间,拆开清洗。
4、停机后保不住压力
①、检查被试件和连管路是否漏水。
②、保压阀线是否密合良好,有无杂物充垫其间,拆下清洗或研磨
③、 泄压阀未关严漏水。
六、维护
1、曲轴箱内润滑油,通常选用30~40号机油。新泵 次使用应在40小时内更换,以后每200小时换油一次。
2、水箱在加水前必需清洗干净,应选择不含泥沙的清水。作为试验介质。
3、在使用过程中,要经常检查泵的各连接部位及紧固件是否松动,和渗漏,应及时调节紧固。
4、泵在冰点以下环境内使用,应考虑防冻处理。使用完毕后,应充分排尽泵内存水。
5、在较长时期停止工作时,将水排净,从吸入口吸灌些防锈油。
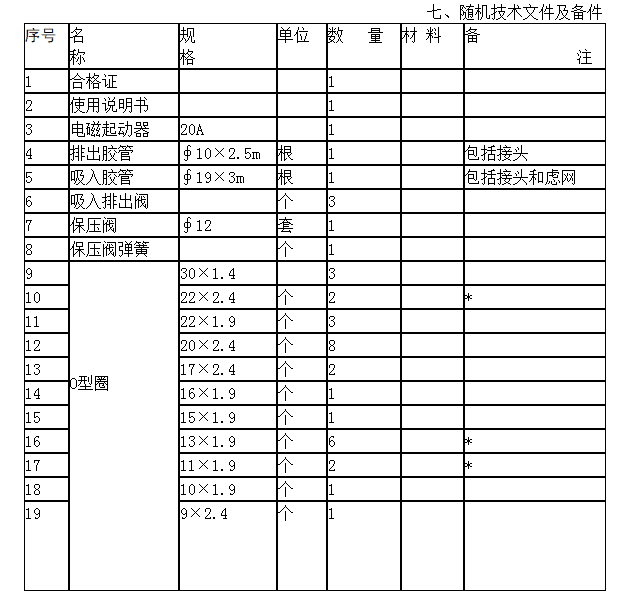
七、随机技术文件及备件

敬 告 用 户
首先感谢使用我厂产品.
在使用本泵前务请详尽阅读本说明书。
在安装使用过程中,如有什么问题或出现故障,请参照本说明书解决和排除,如不能得到解决及时与我厂联系。
由于产品的不断改进,可能导致本说明书与产品不完全相符,有什么疑问,请及时与我厂联系。
如用户对试压泵有什么特殊要求,我们可进行专门设计。
上一产品:3DY-7.5KW电动试压泵
下一产品:4D-SY系列立式电动试压泵